0
繁體中文
English
Deutsch
關於我們
產品介紹
精密軸心
高週波熱處理軸心
氣、油壓缸用活塞桿鍍鉻棒
空心軸心
特殊鋼材軸心
加工軸心
軸心座
直線軸承 / 線性襯套
標準型線性軸承
法蘭型線性軸承
特殊線性軸承
連座線性軸承
單軸心滑軌
單軸心滑軌
加工軸心
開口連座線性軸承
加長開口連座線性軸承
軸心支持座 SA系列
軸心固定座 SH_A系列
軸心固定座 SHF系列
雙軸心滑軌
雙軸心滑軌DSR4/5
雙軸心滑軌DSR8/12/16
經濟型雙軸心滑軌DSRE12
線性滑軌 / 直線滑軌
BG-H高組裝系列
BG-S低組裝系列
MTA系列 (高組裝)
INA系列(低組裝)
滾珠螺桿
SFI 單螺帽法蘭型滾珠螺桿
DFI 雙螺帽法蘭型滾珠螺桿
SFU 單螺帽法蘭型滾珠螺桿 (Din69051國際標準)
DFU 雙螺帽法蘭型滾珠螺桿 (Din69051國際標準)
SFD 微小型單螺帽法蘭型滾珠螺桿
SFE 高導程單螺帽法蘭型滾珠螺桿
SSFU 靜音型單螺帽法蘭型滾珠螺桿
滾珠螺桿維修/整理
聯軸器
萬向接頭
NC-兩節式經濟型萬向接頭
ND-三節式經濟型萬向接頭
SC-兩節式精密型萬向接頭
SD-三節式精密型萬向接頭
SP-附中間栓槽軸萬向接頭
自潤軸承
SPB 銅合金自潤襯套
SPF 銅合金自潤凸緣襯套
SPW 銅合金自潤止推墊片軸承
SFP 銅合金自潤平軸承
LFB自潤軸承標準型(DU無給油襯套)
LFF 自潤軸承凸緣型(DUF法蘭無給油襯套)
LFW 自潤止推墊圈(DUW無給油墊片)
滾珠.滾針.魚眼.連座軸承
魚眼軸承
滾珠軸承
連座軸承
針狀軸承
植物性金屬加工油
植物性金屬加工油
鈑金擴孔器
擴孔器組(方孔+圓孔)
維修包
應用領域
最新消息
電子型錄
傳動元件產品型錄
直線導軌產品型錄
植物性金屬加工油型錄
聯絡我們
網站地圖
NC-兩節式經濟型萬向接頭
首頁
產品介紹
萬向接頭
NC-兩節式經濟型萬向接頭
NC-兩節式經濟型萬向接頭
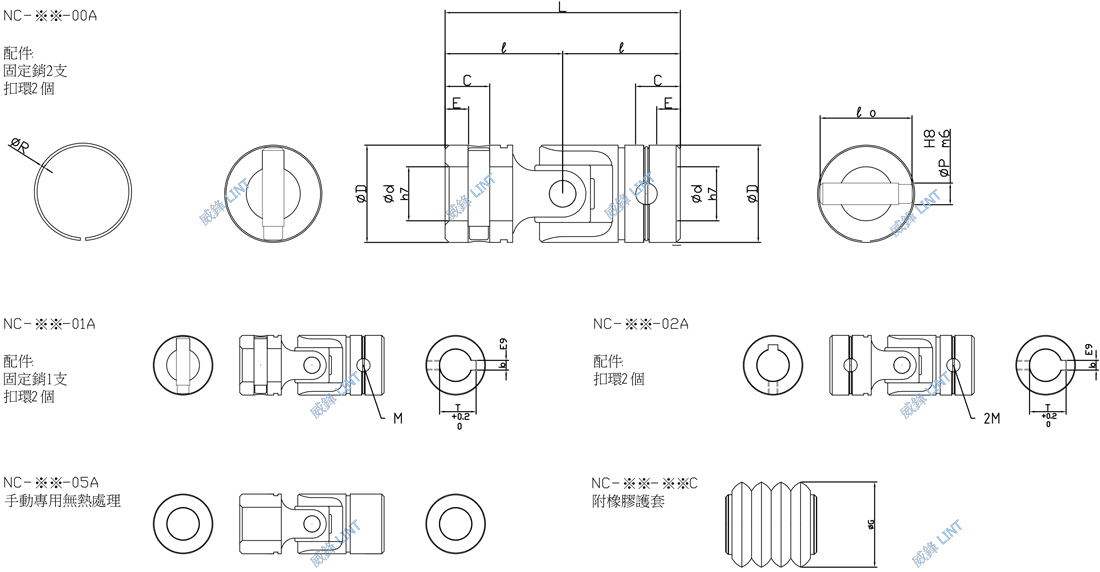
產品規格
unit:(mm)
型號 / 尺寸
d
D
C
E
ℓ
L
P
ℓ0
b
T
M
重量g
NC-06-※※※
6
12
9
4.5
15.5
31
3
10
-
-
-
15
NC-08-※※※
8
15
10
5
18
36
3.5
12.5
-
-
-
30
NC-10-※※※
10
19
12
6
21
42
4.5
16.5
-
-
-
55
NC-12-※※※
12
23
15
7.5
26
52
5
20.5
4
13.5
5
110
NC-14-※※※
14
26
17
8.5
29.5
59
5.7
23
5
16
6
155
NC-16-※※※
16
30
22
11
37
74
6.5
26.5
5
18
6
260
NC-18-※※※
18
33
23.5
11.75
40.5
81
7
28.5
5
20
6
345
NC-20-※※※
20
36
25
12.5
43.5
87
8
31.5
5
22
6
465
NC-25-※※※
25
44
30
15
52.5
105
10
38.5
7
28
8
630
NC-30-※※※
30
51
35
17.5
61
122
11.5
44
7
33
8
790
註:未標示的尺寸與NC- ※※ -00A相同
NC型無儲油設計,可使用防塵套﹝內充油脂﹞,初期運轉時須定期給油,給油時在接頭部外圍塗布油脂 ,油脂以#90潤滑油較好。
返回
詢價
無現貨,
預訂請留言