0
繁體中文
English
Deutsch
Über uns
Produkte
Präzisionswelle
Induktionsgehärteter, verchromter Schaft
Hartverchromter Schaft
Hohlwelle
Andere Welle
Gewindewelle
Schach Unterstützer
Linearlager
Linearlager – Standardtyp
Linearlager – Flanschtyp
Linearlager - Super-Serie
Linearlager mit Block
Einwellenschiene
Einwellenschiene
Bearbeitete Welle
SME-Serie
SME_W-Serie
Wellenhalter SA-Serie
Wellenhalter Serie SH_A
Shaft Supporter SHF-Serie
Doppelwellen-Schiene/staubdichte Führung
DSR4/5
DSR8/12/16
DSRE12
Linearführung
BG-H-Serie (hohe Montage)
BG-S-Serie (niedrige Montage)
MTA-Serie (Werkzeugmaschinenanwendung)
INA-Serie (industrielle Anwendung)
Kugelumlaufspindel
SFI-Kugelumlaufspindel und Einzelmutter mit Flansch
DFI-Kugelumlaufspindel und Doppelmuttern mit Flansch
SFU-Kugelgewindetrieb und Einzelmutter mit Flansch (Din 69051 FormB)
DFU-Kugelgewindetriebe und Doppelmuttern mit Flansch (Din 69051 Form)
SFD-Miniatur-Kugelumlaufspindel und Einzelmutter mit Flansch
SFE-High-Lead-Kugelumlaufspindel und Einzelmutter mit Mittelflansch
SSFU-Low Noise Kugelumlaufspindel und Einzelmutter mit Flansch
Reparatur – Reparatur von Kugelumlaufspindeln
Kupplung
Universalverbindung
NC-Serie - Economic Single
ND-Serie – wirtschaftliches Doppel
SC-Serie – Precision Single
SD-Serie - Präzisionsdoppel
SP-Serie - Teleskopisch
Selbstschmierendes Lager
SPB-Serie
SPF-Serie
SPW-Serie
SFP-Serie
LFB-Serie
LFF-Serie
LFW-Serie
Lager
Stangenende und Sphärische Lager
Kugellager
Kissenlager
Nadellager
Metallbearbeitungsflüssigkeit auf Pflanzenölbasis
Metallbearbeitungsflüssigkeit auf Pflanzenölbasis
Blech Lochdehner
Lochdehner Set
Reparaturset
Branchen bedient
Nachrichten
E-Katalog
Übertragungselement
Linearführungen und Schienen
Metallbearbeitungsflüssigkeit auf Pflanzenölbasis
Kontakt
Seitenverzeichnis
NC-Serie - Economic Single
nach Hause
Produkte
Universalverbindung
NC-Serie - Economic Single
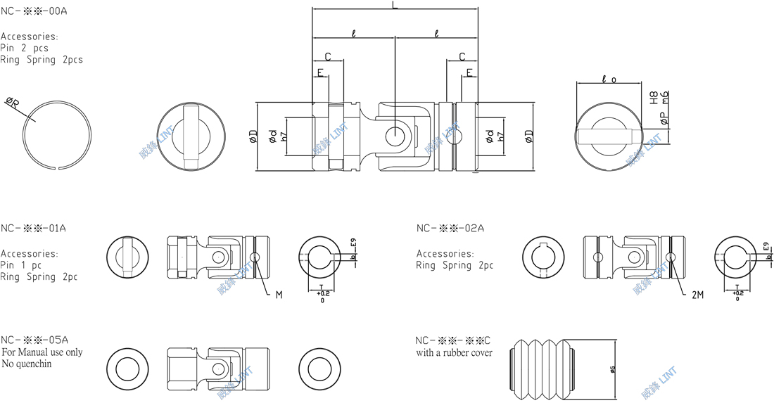
Produkt-Spezifikationen
Einheit: (mm)
Modell / Größe
d
D
C
E
ℓ
L
P
ℓ0
b
T
M
G
NC-06-※※※
6
12
9
4.5
15.5
31
3
10
-
-
-
-
NC-08-※※※
8
15
10
5
18
36
3.5
12.5
-
-
-
25
NC-10-※※※
10
20
12
6
21
42
4.5
16.5
-
-
-
32
NC-12-※※※
12
23
15
7.5
26
52
5
20.5
4
13.5
5
35
NC-14-※※※
14
26
17
8.5
29.5
59
5.7
23
5
16
6
40
NC-16-※※※
16
30
22
11
37
74
6.5
26.5
5
18
6
46
NC-18-※※※
18
33
23.5
11.75
40.5
81
7
28.5
5
20
6
52
NC-20-※※※
20
36
25
12.5
43.5
87
8
31.5
5
22
6
58
NC-25-※※※
25
44
30
15
52.5
105
10
38.5
7
28
8
68
NC-30-※※※
30
51
35
17.5
61
122
11.5
44
7
33
8
82
Bemerkung : Kein Maß ist gleich wie NC**00A
Da der NC-Typ nicht mit einem Ölbehälter ausgestattet ist, ist eine Schmierung zu Beginn der Fahrt sowie eine regelmäßige Schmierung erforderlich. Die Verwendung eines mit Fett gefüllten Gummiabdeckungsaufsatzes ist ebenfalls vorzuziehen. Es ist ratsam, die Gelenke von außen oder zu schmieren Schmieröl von Trubin = 90 als Schmiermittel zu verwenden
Der Rücken
Anfrage
Out of stock.,
contact us